【专利】士兰微“功率模块”专利获授权;北方华创“一种刻蚀方法、半导体工艺设备及计算设备”专利公布;天域半导体“表面多孔结构的外延层生长方法”专利公布
2024-09-29 / 阅读约4分钟
来源:集微网

1.紫光同芯“多次外延制作超结屏蔽栅结构IGBT及制造方法”专利获授权

2.北方华创“一种刻蚀方法、半导体工艺设备及计算设备”专利公布

3.天域半导体“表面多孔结构的外延层生长方法”专利公布

4.士兰微“功率模块”专利获授权


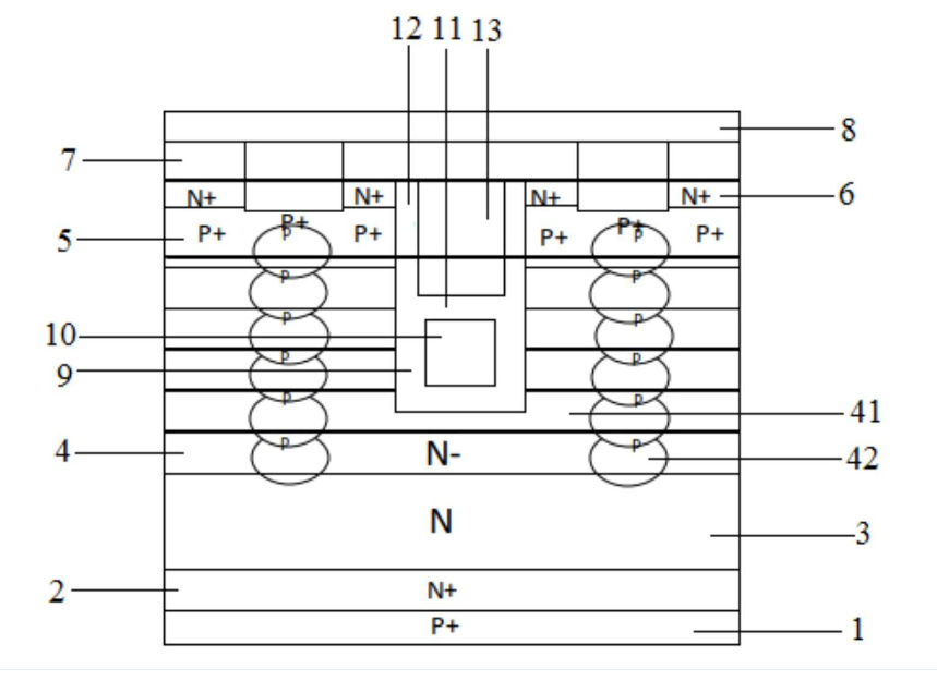
1.紫光同芯“多次外延制作超结屏蔽栅结构IGBT及制造方法”专利获授权

天眼查显示,紫光同芯微电子有限公司近日取得一项名为“多次外延制作超结屏蔽栅结构IGBT及制造方法”的专利,授权公告号为CN112670335B,授权公告日为2024年9月6日,申请日为2020年12月30日。

本发明涉及一种多次外延制作超结屏蔽栅结构IGBT及制造方法,它包括它包括第二导电类型集电极、第一导电类型缓冲层、第一导电类型衬底、第一导电类型外延层、第一导电类型柱、第二导电类型柱、第二导电类型体区、第一导电类型发射极、绝缘介质层、发射极金属、屏蔽栅氧化层、屏蔽栅多晶硅、屏蔽栅盖板、栅极氧化层与栅极导电多晶硅。本发明可调节器件的电场分布,实现在低的阈值下有更有效的饱和电流,提高开关速度,降低开关损耗,实现更加稳定的安全工作区域。

2.北方华创“一种刻蚀方法、半导体工艺设备及计算设备”专利公布

天眼查显示,北京北方华创微电子装备有限公司“一种刻蚀方法、半导体工艺设备及计算设备”专利公布,申请公布日为2024年9月6日,申请公布号为CN118610121A。


本说明书实施例提供了一种刻蚀方法,该方法通过沉积步在待刻蚀膜层结构表面形成保护膜,该保护膜可填充开口侧壁的损伤部分,以提高开口侧壁的平整度;此外,随着开口刻蚀深度的增加,通过交替进行刻蚀步和沉积步进行开口的刻蚀会出现开口陡直度降低的问题;因此,在交替进行多次刻蚀步和沉积步后,利用使用更高刻蚀速率的工艺气体的修饰步对开口的侧壁进行修饰,去除侧壁中突出部分,并扩宽开口底部宽度,以实现提高开口侧壁的陡直度的目的,从而在实现高深宽比的开口侧壁的刻蚀的基础上,实现了提高开口侧壁的表面平整度和开口整体的陡直度的目的。

3.士兰微“功率模块”专利获授权

天眼查显示,杭州士兰微电子股份有限公司近日取得一项名为“功率模块”的专利,授权公告号为CN308822714S,授权公告日为2024年9月6日,申请日为2024年1月5日。

1.本外观设计产品的名称:功率模块。2.本外观设计产品的用途:用于控制及驱动的功率模块。3.本外观设计产品的设计要点:在于功率模块的形状。4.最能表明设计要点的图片或照片:设计3立体图。5.指定设计3为基本设计。

4.天域半导体“表面多孔结构的外延层生长方法”专利公布

天眼查显示,广东天域半导体股份有限公司“表面多孔结构的外延层生长方法”专利公布,申请公布日为2024年9月6日,申请公布号为CN118610157A。

本发明公开一种表面多孔结构的外延层生长方法,包括:(1)在惰性气体气氛下,将碳化硅衬底升温至1590℃~1630℃之间,并将反应室内降压至80mbar~240mbar之间;(2)将所述惰性气体切换成氢气,所述主体气流区域的气体流速小于所述稳定气流区域的的气体流速;(3)在所述主体气流区域以稳定的气体流量进一步通入特气;(4)在外延生长末尾段对所述主体气流区域开始通入刻蚀气体;(5)将所有气体切换为惰性气体,取出具有多孔结构的外延层的外延片。该方法一步到位得到具有多孔结构的外延层,不会额外引入新的杂质,具有较高的良品率;同时多孔结构的外延层解决了下游黄光工艺光刻胶的附着问题,取消黄光工序中增粘剂的使用,由此减少工艺步骤,降低生产成本。