英诺赛科革新推出2kW高效双向储能方案,显著降低系统损耗高达40%
2024-09-29 / 阅读约3分钟
来源:集微网
近两年,随着氮化镓市场进程的加速,氮化镓的应用场景逐步从消费电子向光伏储能、数据中心、电动汽车等领域延伸,功率覆盖范围也越来越大。在双碳要求下,新能源如风能、光伏等应用成为绿色发展的关键,但由于自然资源的不确定性,在新能源的存储和利用过程中,需要储能系统进行波峰和波谷的调配,从而改善系统波动性和不确定性。氮化镓作为半导体领域的明星材料,具备更高频率、更低损耗的优势,能够更好地提升转换效率和能源利用效率,在储能领域扮演着越来越重要的角色。

近两年,随着氮化镓市场进程的加速,氮化镓的应用场景逐步从消费电子向光伏储能、数据中心、电动汽车等领域延伸,功率覆盖范围也越来越大。

在双碳要求下,新能源如风能、光伏等应用成为绿色发展的关键,但由于自然资源的不确定性,在新能源的存储和利用过程中,需要储能系统进行波峰和波谷的调配,从而改善系统波动性和不确定性。氮化镓作为半导体领域的明星材料,具备更高频率、更低损耗的优势,能够更好地提升转换效率和能源利用效率,在储能领域扮演着越来越重要的角色。

储能系统采用氮化镓,一方面可以提升效率,降低损耗,实现无风散热,节省风扇,从而提升系统可靠性和寿命;另一方面还能提升开关频率,减小感性和容性等无源器件尺寸,构建更小、更轻的产品。基于此,一起了解一下英诺赛科开发了2kW双向ACDC储能电源方案。

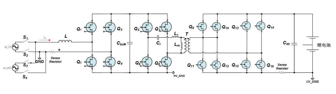
方案概览

方案名称:2KW/48V 双向 ACDC 储能模块

尺寸:248mm×120mm×45mm

峰值效率:96.1%(230Vac)

应用器件:INN650TA030C,INN650TA050C,INN100EQ016A,INS1001DE

拓扑结构:无桥PFC+全桥LLC

2KW 48V双向ACDC储能模块采用All GaN解决方案,包括前端AC-DC无桥图腾柱PFC和后端DC-DC隔离全桥LLC转换器,可实现单双向工作。无桥PFC采用4颗INN650TA030C,LLC原边高压侧采用4颗INN650TA050C,副边低压侧采用8颗INN100EQ016A,高压管驱动器搭配了自研的INS1001DE,与传统IGBT/Si方案相比,可以提供更快开关速度、更小开关损耗,实现更小系统体积和更高效率。

方案优势

整流和逆变峰值效率96.1%,相较IGBT/Si方案,系统损耗减少40%;

PFC工作频率65KHz,LLC谐振频率200KHz,相较IGBT/Si方案,系统功率密度提升1倍。

应用领域 

2kW 48V双向ACDC储能方案可以在便携式储能、光伏逆变及其他双向电源模块中应用,实现体积更小,更高频,以及整体系统效率的大幅提升。