天眼查显示,深圳市汇顶科技股份有限公司近日取得一项名为“用于转换器电路的基于电感器电流的模式控制”的专利,授权公告号为CN114667672B,授权公告日为2024年12月27日,申请日为2021年01年06日。

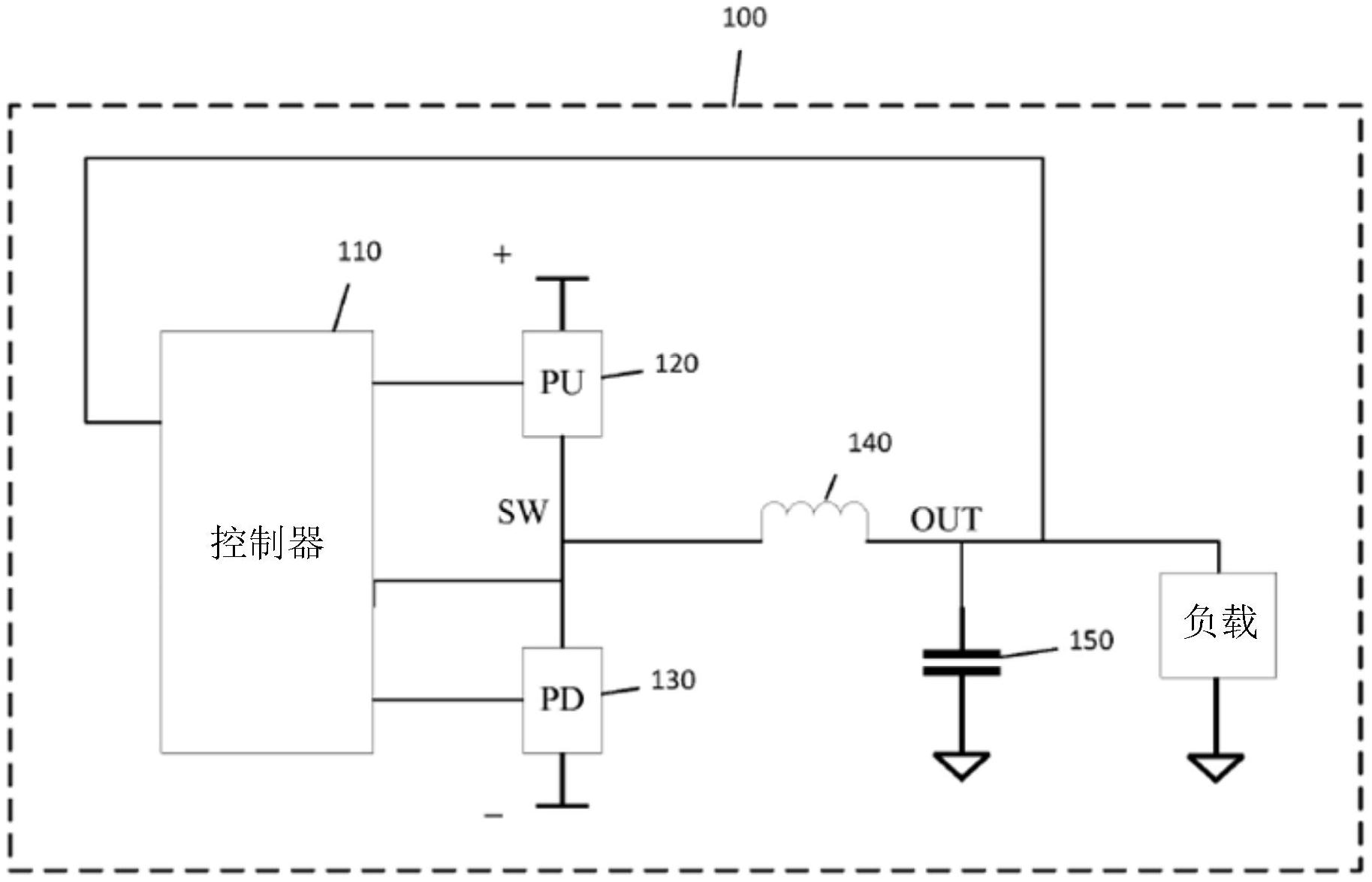
一种转换器电路包括上拉部件、下拉部件以及控制器,该控制器被配置为操作上拉部件和下拉部件以便向负载传递功率。控制器被配置为基于传递到负载的平均电流,以第一和第二操作模式操作上拉部件和下拉部件。转换器电路还包括模式控制电路,用于部分基于在开关节点处从上拉部件接收的峰值电流的表示来生成模式控制信号。
