1.京东方“阵列基板、其制作方法、显示面板及显示装置”专利获授权
2.芯驰半导体“基于核间通信的数据处理方法、装置、芯片及电子设备”专利获授权
3.华进半导体“一种构造多芯片封装结构的方法及多芯片封装结构”专利公布
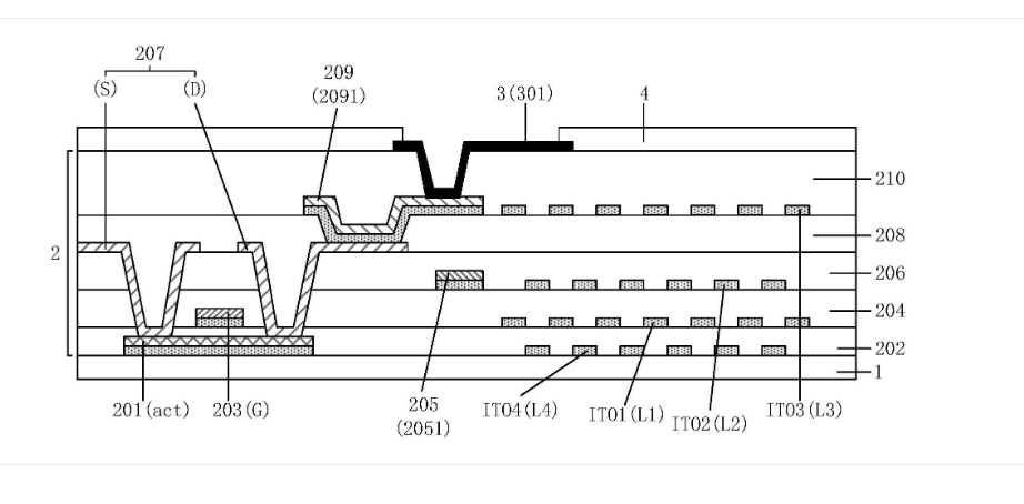
1.京东方“阵列基板、其制作方法、显示面板及显示装置”专利获授权
天眼查显示,成都京东方光电科技有限公司近日取得一项名为“阵列基板、其制作方法、显示面板及显示装置”的专利,授权公告号为CN113053981B,授权公告日为2024年9月6日,申请日为2021年3月15日。

本申请实施例提供了一种阵列基板、其制作方法、显示面板及显示装置。该阵列基板的显示区包括摄像区,该阵列基板包括衬底、驱动电路结构和阳极层;驱动电路结构包括用于形成透明引线的至少一个透明导电层以及用于构成多个像素驱动电路的有源层和多个金属层,透明导电层与有源层或金属层叠层且接触;阳极层包括多个阳极,位于摄像区的阳极通过透明引线与相应的像素驱动电路电连接。本实施例通过将用于实现摄像区的阳极与相应的像素驱动电路电连接的透明引线与有源层和/或金属层叠层且接触,从而使透明引线与有源层和/或金属层能够采用同一掩膜板进行图形化处理,能够减少掩膜板的数量,从而降低生产成本。
2.芯驰半导体“基于核间通信的数据处理方法、装置、芯片及电子设备”专利获授权
天眼查显示,北京芯驰半导体科技股份有限公司近日取得一项名为“基于核间通信的数据处理方法、装置、芯片及电子设备”的专利,授权公告号为CN118377365B,授权公告日为2024年9月6日,申请日为2024年6月25日。

本申请公开了基于核间通信的数据处理方法、装置、芯片及电子设备,该方法可应用于芯片中,包括:通过处理域与应用域之间的核间通信,利用应用域中的虚拟节点将待处理任务发送给处理域,处理域中设置有至少一个第一视频处理单元和第二视频处理单元;控制处理域中的分配服务模块,利用域内通信将待处理任务分配给第二视频处理单元;基于待处理任务的任务权重信息以及第二视频处理单元的数据处理能力,确定第二视频处理单元是否能够部分或完全承接待处理任务;在一个第二视频处理单元不能承接待处理任务的情况下,将待处理任务分配至其他第二视频处理单元,或者唤醒第一视频处理单元协助处理待处理任务。
3.华进半导体“一种构造多芯片封装结构的方法及多芯片封装结构”专利公布
天眼查显示,华进半导体封装先导技术研发中心有限公司“一种构造多芯片封装结构的方法及多芯片封装结构”专利公布,申请公布日为2024年9月6日,申请公布号为CN118613062A。

本发明涉及半导体封装技术领域,提出一种构造多芯片封装结构的方法及多芯片封装结构。该方法包括下列步骤:构造三维集成深沟槽电容器(3D‑IDTC);提供双面互连的高带宽存储芯片(HBM)以及双面互连的系统级芯片(SOC);以及将所述三维集成深沟槽电容器、所述双面互连的高带宽存储芯片以及所述双面互连的系统级芯片封装以形成多芯片封装结构。本发明通过堆叠多个具有DTC和TSV的硅晶圆,可以获得N倍的电容和更低的等效串联电感特性,同时在SOC周围布置3D集成深沟槽电容器,其互连距离短,可以快速实现大电容的电源去耦。
