芯迈半导体今日宣布,正式推出锂电池保护芯片——SM5631!这款集超低功耗、高精度、宽范围于一身的旗舰产品,达到国际先进水平,旨在为IOT(穿戴设备)和移动设备提供更安全、更持久、更可靠的电源管理解决方案。
开创性创新:nA级功耗+高精度检测

行业痛点与破局者
在IoT穿戴设备和移动终端爆发式增长的今天,锂电池保护芯片的功耗敏感度和检测精度成为制约产品续航与安全的关键瓶颈。传统方案普遍存在:工作电流≥1μA的功耗天花板、±15mV精度的电压检测局限、需要外接采样电阻的复杂设计。
芯迈半导体凭借自主FAB工艺推出的SM5631锂电池保护芯片,可在-40°C至+85°C的宽温范围内稳定工作,同时具备卓越的耐压特性,其V-与CO引脚的最大绝对耐压值达-24V。以600nA工作电流和±10mV电压精度的颠覆性表现,正在改写行业标准。
芯迈半导体三大技术突破
一.功耗控制达到nA级
Normal 模式:
典型工作电流< 600nA,远低于市场主流1~1.5uA
Stand-By 模式:
典型电流 < 300nA,主流为1uA3
PS模式(船运模式):
超低工作电流<25nA,给长时间的船运提供可靠保护
二.高精度检测

三.创新集成设计
· 单引脚集成电流/负载检测
·省去外部采样电阻

场景化解决方案
穿戴设备方案:
智能手表/戒指等穿戴设备通过高效能耗比,实现超长待机新纪元

船运模式方案:
仓储自放电电流降至nA级,解决库存电池损耗痛点

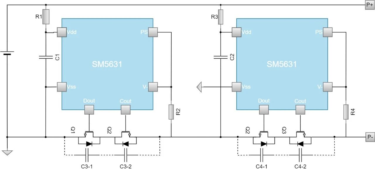
串联工作模式:
支持单节电池的多级保护,电压范围覆盖1.5V-5.5V

SILICON MAGIC
芯迈半导体SM5631锂电池保护芯片的推出,是芯迈在电源管理领域深耕细作的重要成果。我们将继续秉持创新精神,为客户提供更多高性能、高可靠性的芯片产品。
