天眼查显示,北京智芯微电子科技有限公司“一种负压产生电路及直流电源、电子设备”专利公布,申请公布日为2024年9月24日,申请公布号为CN118694170A。

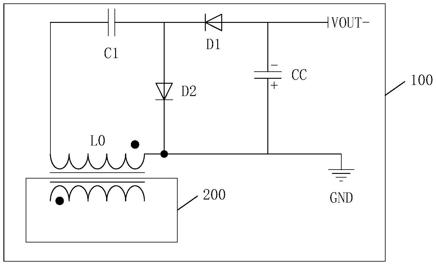
本发明公开了一种负压产生电路及直流电源、电子设备,其中电路包括:耦合电感、第一电容、第一至第二二极管和储能电容,耦合电感包括原边绕组和副边绕组。其中,原边绕组作为正压产生电路的储能电感;第一电容的一端与副边绕组的一端相连,副边绕组的另一端接地;第一二极管阴极与第一电容的另一端相连,第一二极管阳极与负压输出端相连;第二二极管阳极分别与第一电容的另一端和第一二极管阴极相连,第二二极管阴极接地;储能电容负极分别与第一二极管阳极和负压输出端相连,储能电容正极接地;储能电容容值大于第一电容容值。该电路能够通过耦合电感耦合电能的方式实现负压供电,且硬件成本较低,可靠性较高。
