1.长电科技“腔体式封装结构及封装方法”专利获授权
2.矽睿科技一项磁传感器专利获授权
3.和其光电“用于光纤传感器封装的高精密多维调节对位系统及方法”专利获授权
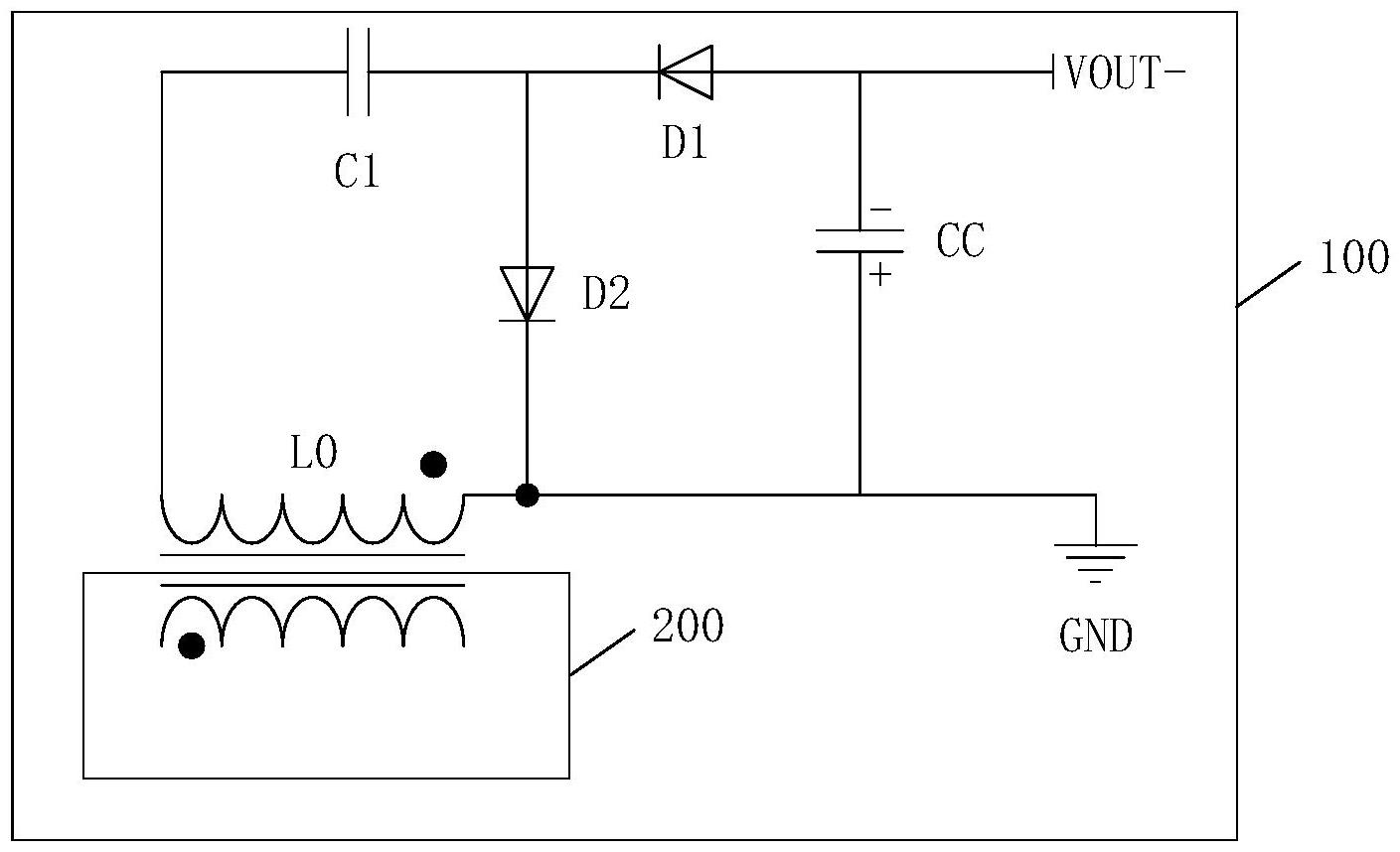
4.智芯微“一种负压产生电路及直流电源、电子设备”专利公布
5.清华大学电子系杨华中团队李学清、邓舒文研究揭示存内计算混淆防御架构的共性安全漏洞
1.长电科技“腔体式封装结构及封装方法”专利获授权
天眼查显示,江苏长电科技股份有限公司近日取得一项名为“腔体式封装结构及封装方法”的专利,授权公告号为CN112582350B,授权公告日为2024年9月24日,申请日为2019年9月29日。

本发明涉及的一种腔体式封装结构及封装方法,所述腔体式封装结构包括热沉,所述热沉上设有下层芯片及金属柱,所述金属柱上设有金属隔层板,所述金属隔层板上设有与所述金属隔层板下的所述金属柱数量匹配且位置对应的上层芯片。通过上述设置,可解决目前腔体式封装结构需要进一步高密度、集成化排布设计的需要。
2.矽睿科技一项磁传感器专利获授权
天眼查显示,上海矽睿科技股份有限公司近日取得一项名为“磁传感器”的专利,授权公告号为CN221765702U,授权公告日为2024年9月24日,申请日为2024年1月26日。

本实用新型涉及一种磁传感器,包括衬底、多个第一TMR组件、软磁结构及信号通讯结构。屏蔽板在平行于第一TMR组件方向(X‑Y平面)的退磁较小,屏蔽板容易被X‑Y平面内的磁场磁化。当X‑Y平面内的外部磁场将屏蔽板磁化后,可产生方向与外部磁场方向相反的感应磁场,从而可以与外部磁场抵消,起到屏蔽作用。屏蔽板在垂直于第一TMR组件方向(Z轴)的退磁较大,屏蔽板不容易被Z轴方向的磁场磁化,故待检测的Z轴方向的外部磁场不会被屏蔽板屏蔽,并且可以顺利地被转向柱转向。可见,由于能够对X‑Y平面内的磁场起到屏蔽作用,从而避免对Z轴磁场的检测产生跨轴干扰。因此,上述磁传感器能够显著提升检测精度。
3.和其光电“用于光纤传感器封装的高精密多维调节对位系统及方法”专利获授权
天眼查显示,西安和其光电科技股份有限公司近日取得一项名为“用于光纤传感器封装的高精密多维调节对位系统及方法”的专利,授权公告号为CN113776689B,授权公告日为2024年9月24日,申请日为2021年8月31日。

本发明提供一种用于光纤传感器封装的高精密多维调节对位系统及方法,解决现有半导体晶片与光纤耦合,存在晶片易划伤、镀膜面易翻转、表面易附着脏污、夹取后较难放下,对位调节耗时长的问题。系统包括光学平台、晶片吸附料盒、光纤夹持组件、显示单元、光谱监测单元、设在光学平台上的第一调节基座和第二调节基座、设在第一调节基座上的第一相机组件、设在第二调节基座上的第二相机组件;晶片吸附料盒设在光学平台上;光纤夹持组件通过三维调节架设在光学平台上;晶片吸附料盒上表面所在平面为XY平面;显示单元包括分别与第一、第二相机组件相连的X‑Z显示界面和Y‑Z显示界面;光谱监测单元包括信号耦合监测模块和与信号耦合监测模块相连的上位机。
4.智芯微“一种负压产生电路及直流电源、电子设备”专利公布
天眼查显示,北京智芯微电子科技有限公司“一种负压产生电路及直流电源、电子设备”专利公布,申请公布日为2024年9月24日,申请公布号为CN118694170A。

本发明公开了一种负压产生电路及直流电源、电子设备,其中电路包括:耦合电感、第一电容、第一至第二二极管和储能电容,耦合电感包括原边绕组和副边绕组。其中,原边绕组作为正压产生电路的储能电感;第一电容的一端与副边绕组的一端相连,副边绕组的另一端接地;第一二极管阴极与第一电容的另一端相连,第一二极管阳极与负压输出端相连;第二二极管阳极分别与第一电容的另一端和第一二极管阴极相连,第二二极管阴极接地;储能电容负极分别与第一二极管阳极和负压输出端相连,储能电容正极接地;储能电容容值大于第一电容容值。该电路能够通过耦合电感耦合电能的方式实现负压供电,且硬件成本较低,可靠性较高。
5.清华大学电子系杨华中团队李学清、邓舒文研究揭示存内计算混淆防御架构的共性安全漏洞
在集成电路供应链全球化的背景下,半导体产业的设计、制造和封测等环节往往分布于不同国家和地区,增加了隐私和知识产权泄露的风险。尤其是在新兴AI体系架构和应用的推动下,新一代智能加速设备和模型数据成为焦点。近年来研究火热的存内计算架构,作为一种有望突破传统冯诺依曼架构存储墙瓶颈的新型高效架构,已实现多种硬件混淆防御设计,显著降低了从数据层面和设计层面引发的隐私泄露风险。然而,现有已知的全部14种存算硬件混淆防御架构缺乏完备的安全理论支撑,并且都依赖于显式的硬件辅助电路,这导致了算法层面鲁棒性低。如何针对现有存算硬件混淆防御架构的安全性开展系统性分析,从而降低隐私泄露风险、提升稳健性,成为AI计算加速芯片与系统的迫切需求。

图1.存内计算架构隐私性分析
近日,清华大学电子工程系杨华中教授团队的李学清副教授和邓舒文助理教授的研究在存内计算混淆防御架构方向取得了进展。团队系统地研究了现有14种存内计算混淆防御架构,并从机密性、完整性和可用性三个角度系统性分析了混淆防御架构的机制,提出了一种统一的分析模型,并通过参数向量的形式将不同的混淆防御架构归纳总结,进而推广到更全面的设计空间。该工作针对14种存内计算混淆防御架构,系统总结了176个不同的设计参数点,并针对每个参数点进行算法层面的鲁棒性分析。为了使鲁棒性分析能够适用于存内计算独特的存储特性和混合信号域计算特性,论文首次创新地提出了功能近似重构方法和基于布尔满意度的容偏算法,并深入分析了所提出方法的适用性和可扩展性。评估数据一方面证实了现有的14种存内计算混淆防御架构在算法鲁棒性层面的共性漏洞,另一方面对未来存内计算安全性设计提供了新思路。

图2.提出的CiMSAT研究框架

图3.针对存内计算隐私架构提出的功能重构和容偏处理算法
相关成果以“CiMSAT:利用SAT分析评估存内计算架构混淆防御安全”(CiMSAT: Exploiting SAT Analysis to Attack Compute-in-Memory Architecture Defenses)为题,被第31届计算机与通信安全会议(ACM Computer and Communications Security 2024, CCS2024)接收。

第31届计算机与通信安全会议
第31届计算机与通信安全会议(ACM Computer and Communications Security 2024, CCS2024)于2024年10月14日至18日在美国盐湖城举行。CCS与USENIX Security、IEEE S&P、NDSS并称为信息安全领域水平最高、影响力最强的“四大顶会”,也是中国计算机学会推荐的CCF-A类会议。本次会议的录用率仅为16.9%(331/1964),收录研究成果通常代表着当前信息安全研究进展的最高水平,也是目前统计中,清华大学电子系首次以第一单位发表信息安全领域“四大顶会”。清华大学电子工程系2022级博士生王健丰为论文第一作者,李学清和邓舒文为论文通讯作者,研究得到国家自然科学基金的支持。
