Legion Go S是联想于2025年1月8日在CES 2025发布的第二款游戏掌机产品,其配有8英寸LCD屏,配备microSD卡插槽、音频插孔、以及两个USB4接口,重量为740克,提供白色(Windows版)和紫色(SteamOS版)外观。
Legion Go S可选AMD锐龙Z2 Go或Z1 Extreme处理器,拥有最高32GB 的LPDDR5X内存和最高1TB的PCIe Gen4 SSD存储,搭载55.5瓦时电池,配备65瓦Type-C充电器,可选Steam OS或Windows系统,具有蓝牙5.3和Wi-Fi 6E等配置。

图1 联想Legion Go S
在操作设计方面,采用了一体式手柄设计,配备触控板、双震动马达、RGB霍尔摇杆以及键程可调的扳机键。其中,双震动马达驱动采用了艾为高压Haptic驱动方案,可调键程采用了艾为线性HALL方案,以下是两款芯片的介绍:
高压线性马达驱动
供电范围:2.7~5.5V
8 KB memory
8K/12K/24K/48K输入波形采样率
驱动电压最高可升压至11V
支持F0检测及追踪
集成先进的自动刹车功能
集成基于阻抗检测LRA诊断功能
<1ms快速启动时间
支持多种播放模式(实时播放/动态波形输入/存储播放/一线控制)
保护功能:短路保护,OTP, UVLO,电池保护
封装:FCQFN-18L 2.5mm×2mm×0.55mm

图2 高压马达驱动典型应用电路图
数模龙头艾为电子深耕触觉反馈多年,除了硬件产品外,在算法效果方面,awinicTikTap®雷振子4D游戏算法能够通过游戏协议自带的震动数据、游戏图像、游戏音频等信息源来实现场景化振动。

图3 awinicTikTap®雷振子4D游戏算法

图4 游戏振动数据模式

图5 游戏图像+游戏声音模式

图6 游戏音频流模式
线性HALL
模拟电压线性比例输出,默认电压VREF / 2
VCC范围:2.5V~5.5V
低功耗Sleep模式,<1μA
灵敏度:1.25mV/G~ 10.0mV/G系列化多档可选
工作温度范围:-40℃~125℃
封装:WBDFN-6L 3mm × 2mm × 0.75mm

图7 线性HALL应用电路图
除了上述HAPTIC Driver和线性HALL外,艾为游戏掌机应用,有多颗芯片可供选择:

图8 艾为游戏掌机应用框图
下面介绍一下掌机各功能模块应用:
RGB灯氛围:呼吸灯驱动
艾为呼吸灯驱动产品覆盖3~216通道,可呈现超过1600万种色彩变化和呼吸,与游戏画面联动营造更真实的虚拟场景氛围。能够提供驱动芯片+灯效算法调试的一站式解决方案。

图9 呼吸灯驱动应用电路

图10 艾为彩虹呼吸灯效

图11 艾为炫彩呼吸灯效
喇叭外放:音频功放+音效算法
音频功放:自带BOOST升压数字音频功放,内置DSP

图12 音频功放应用电路
音效算法:艾为国民神仙算法awinicSKTune®V7,含基础音效及保护算法,特色音效算法、特色保护算法。

图13 国民神仙算法awinicSKTune®V7
屏幕显示
AMOLED POWER
3电源输出,电流能力高达800mA,效率93%,支持1.2V I/O

图14 典型应用电路
Backlight LED Driver
单节电池供电条件下,最高可驱动50颗背光灯
OVP电压38V,支持最小0.3%占空比,适用于驱动平板及手机等使用LCD屏的终端

图15 典型应用电路
LCD Bias
最高可输出±6.5V,电流涵盖100mA~260mA,适用于手机及平板等使用LCD屏的产品

图16 典型应用电路
USB端口防护
VBUS OVP
VBUS路径双向隔离OVP,阻抗20mΩ,过流5A,适用于笔记本、掌机应用

图17 典型应用电路
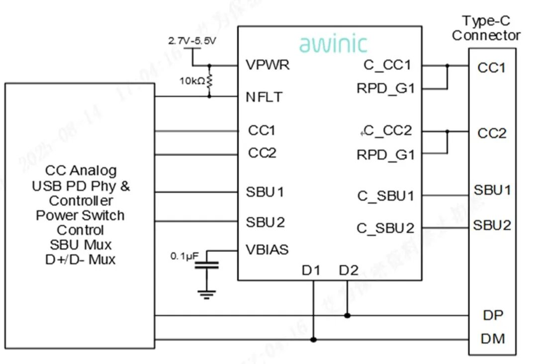
CC OVP
四通道,可用于TYPEC端口,用于保护CC/SBU信号,防止过压损坏。

图18 典型应用电路
高耐压输出OCP
4A OCP, 输出端口耐压可达28V,适用于TYPEC端口对外放电保护。

图19 典型应用电路
通用器件
Loadswitch
双通道,可过6A MAX,Rdson低至20mΩ

图20 典型应用电路
LDO
300mA max,SOT23-5&DFN1*1封装,有低功耗版本和高PSRR版本,电压范围覆盖0.9~3.3V

图21 典型应用电路
BUCK
5V/3A,VOUT可调电压0.9~3.3V,SOT23-5封装

图22 典型应用电路
除了在游戏掌机应用外,艾为产品在游戏手柄上同样也有较广泛的应用。比如专注于苹果和安卓手机连接的游戏手柄品牌BACKBONE,通过极简设计、低延迟连接和广泛的兼容性,解决了手机触屏玩游戏的操作不灵活的痛点,广受手游玩家喜爱。其最新发布的Backbone-Pro搭载了5颗艾为芯,包括:VBUS OVP、D+/D- USB2.0开关、低功耗LDO(3颗不同电压)

图23 Backbone-Pro
随着云游戏技术的成熟与硬件性能的迭代,游戏掌机正迈向更广阔的可能性。但无论形态如何演变,其核心始终是对 “玩家体验” 的极致追求。中国数模龙头艾为电子将持续在各产品线深耕,全力打造高品质的模拟、数模混合芯片,为游戏掌机带来更畅快的体验。
