1.三星电机天津MLCC厂满负荷运转,8000人轮班24小时不间断生产
2.印度计划投资43亿美元扶持电子元件制造业
3.黑石拟出售Interplex ICT业务,价值超10亿美元
4.芯迈半导体重磅发布首款锂电池保护芯片SM5631
5.芯导科技拟4.03亿元收购瞬雷科技100%股权
1.三星电机天津MLCC厂满负荷运转,8000人轮班24小时不间断生产

汽车电子产品需求激增,推动三星电机(Semco)天津工厂的多层陶瓷电容器(MLCC)生产线全面满负荷运转,约8000名工人24小时不间断生产。天津工厂是三星电机全球最大的生产基地,主要生产汽车用MLCC,同时也供应消费电子和服务器市场。
随着全球MLCC需求加速增长,三星电机已将其中国生产基地的产能利用率提升至峰值水平,从而能够承接更多订单,并扩大其在汽车电子领域的市场份额。
MLCC是智能手机、汽车、个人电脑(PC)和大多数电子设备的核心组件,用于存储电能并在需要时释放。堆叠层数越多,电容值越高。
消息人士称,三星电机天津工厂目前满负荷运转,约8000名工人轮班工作,以确保生产的持续进行,同时还针对性地提升了生产流程效率。该工厂为苹果、华为等智能手机品牌以及特斯拉、现代摩比斯、博世等汽车客户供应MLCC。
业内人士表示,客户越来越倾向于与三星电机签订长期MLCC供应合同。人工智能(AI)应用的快速增长和AI服务器产量的不断攀升,使得MLCC成为关键的长期组件,潜在的供应限制促使客户锁定稳定的采购。
订单数据也反映了这一趋势。三星电机表示,包括天津在内的主要生产基地,2025年第四季度的订单量同比增长30%。
三星电机自1993年起就在天津开展业务。过去五年,公司持续投资于工艺升级和设备更新,不断提升产能。天津工厂现已成为战略性的MLCC生产中心,尤其在汽车级产品方面拥有更高的集中度。
受电动汽车普及、汽车电子产品日益复杂以及数据中心和服务器持续扩张的推动,全球MLCC需求大幅攀升。每辆汽车MLCC数量的增加是提升天津汽车专用工厂产能利用率的关键因素。
三星电机最新财报显示,2025年第四季度营收达2.9万亿韩元(约合20亿美元),同比增长16%;营业利润飙升108%至2395亿韩元。2025年全年营收预计达到约11.3万亿韩元,同比增长10%,创历史新高;全年营业利润增长24%至9133亿韩元。
2.印度计划投资43亿美元扶持电子元件制造业

印度政府计划将电子元件制造业的投资额提高至4000亿卢比(约合43亿美元),以促进该国商品出口。
印度财政部长Nirmala Sitharaman在预算演讲中宣布了这项计划,此举或将有助于支持印度主要企业集团的高科技发展,尤其是塔塔集团、阿达尼集团、信实工业和戈德瑞集团。
消息公布后,印度本土电子元件制造商迪克森科技和安柏企业的股价上涨。
此次投资计划的出台正值关键时刻,尽管面临美国高达50%的惩罚性关税,印度2025年12月的出口仍连续第二个月实现增长。推动这一增长的因素包括高价值出口的激增,特别是苹果iPhone的出货量,以及出口多元化,包括对中国出口。
“印度不断增长的电子产品出口基础已经开始转化为多家上市电子制造服务企业、零部件制造商和资本货物公司的订单增加和产能扩张,”Green Portfolio PMS基金经理Divam Sharma表示。持续的政策推动提高了盈利可见性,并支撑了中长期内更高的估值水平。
3.黑石拟出售Interplex ICT业务,价值超10亿美元
据知情人士透露,黑石集团正考虑出售Interplex的信息与通信技术(ICT)业务,目前已引起其他私募股权公司及产业方的兴趣。
黑石已聘请一家财务顾问评估潜在出售事宜。这笔交易对ICT业务的估值可能超过10亿美元。
黑石于2022年从Baring Private Equity Asia手中收购了总部位于新加坡的Interplex,交易金额未披露。Baring Private Equity现已并入瑞典私募股权公司EQT AB。Interplex主要生产用于电动汽车、自动驾驶、医疗与生命科学以及云计算领域的零部件。
Interplex官网显示,其ICT业务为网络机柜、服务器、磁盘驱动器、可穿戴设备及移动终端等领域提供解决方案。
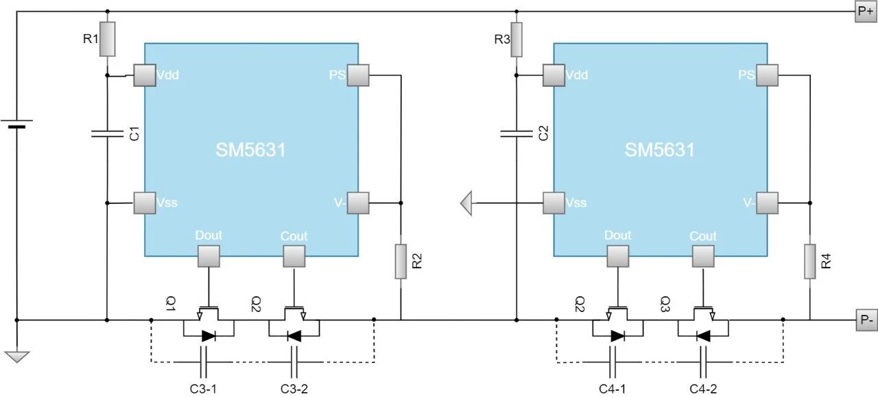
4.芯迈半导体重磅发布首款锂电池保护芯片SM5631
芯迈半导体今日宣布,正式推出锂电池保护芯片——SM5631!这款集超低功耗、高精度、宽范围于一身的旗舰产品,达到国际先进水平,旨在为IOT(穿戴设备)和移动设备提供更安全、更持久、更可靠的电源管理解决方案。
开创性创新:nA级功耗+高精度检测

行业痛点与破局者
在IoT穿戴设备和移动终端爆发式增长的今天,锂电池保护芯片的功耗敏感度和检测精度成为制约产品续航与安全的关键瓶颈。传统方案普遍存在:工作电流≥1μA的功耗天花板、±15mV精度的电压检测局限、需要外接采样电阻的复杂设计。
芯迈半导体凭借自主FAB工艺推出的SM5631锂电池保护芯片,可在-40°C至+85°C的宽温范围内稳定工作,同时具备卓越的耐压特性,其V-与CO引脚的最大绝对耐压值达-24V。以600nA工作电流和±10mV电压精度的颠覆性表现,正在改写行业标准。
芯迈半导体三大技术突破
一.功耗控制达到nA级
Normal 模式:
典型工作电流< 600nA,远低于市场主流1~1.5uA
Stand-By 模式:
典型电流 < 300nA,主流为1uA3
PS模式(船运模式):
超低工作电流<25nA,给长时间的船运提供可靠保护
二.高精度检测

三.创新集成设计
· 单引脚集成电流/负载检测
·省去外部采样电阻

场景化解决方案
穿戴设备方案:
智能手表/戒指等穿戴设备通过高效能耗比,实现超长待机新纪元

船运模式方案:
仓储自放电电流降至nA级,解决库存电池损耗痛点

串联工作模式:
支持单节电池的多级保护,电压范围覆盖1.5V-5.5V

SILICON MAGIC
芯迈半导体SM5631锂电池保护芯片的推出,是芯迈在电源管理领域深耕细作的重要成果。我们将继续秉持创新精神,为客户提供更多高性能、高可靠性的芯片产品。(芯迈半导体)
5.芯导科技拟4.03亿元收购瞬雷科技100%股权
2月2日,芯导科技(688230)发布公告,公司拟通过发行可转换公司债券及支付现金相结合的方式,收购吉瞬科技100%股权及瞬雷科技17.15%股权,从而实现直接及间接持有瞬雷科技100%股权。本次交易价格(不含募集配套资金)约为4.03亿元。交易完成后,瞬雷科技将成为芯导科技全资子公司。

根据交易双方签订的补充协议,交易对方承诺,标的公司在2026年度、2027年度及2028年1-6月期间,经审计的扣除非经常性损益后归属于母公司股东的净利润将分别不低于3650万元、4000万元和2100万元,累计承诺净利润不低于9750万元。
公告指出,虽然交易协议中已设置业绩补偿方案以降低收购风险、保障股东利益,但标的公司未来业绩仍可能受政策环境、行业需求及经营情况等多重因素影响,存在承诺业绩无法达成及业绩补偿方未能履约的风险。
资料显示,瞬雷科技成立于2019年12月,主营业务包括瞬态浪涌防护器件、硅整流二极管、MOSFET、开关型过压防护器件等功率半导体产品。该公司实际控制人为盛锋。
产能方面,瞬雷科技2025年晶圆制造产能达18万片,产能利用率98.43%;半导体封测产能637.50KK,产能利用率78.99%。财务数据显示,2025年瞬雷科技实现营业收入2.4亿元,净利润4438.4万元,扣非净利润4813.7万元。
芯导科技表示,瞬雷科技与上市公司同属功率半导体行业,双方在产品线、技术研发及市场布局上具备显著协同效应。本次收购将有助于芯导科技完善功率半导体产业布局,丰富产品结构,并借助瞬雷科技在汽车电子、工业控制、光伏储能、网络通信等领域的客户基础,拓展新的下游应用市场。同时,瞬雷科技也可依托芯导科技在消费电子领域的渠道资源,进一步扩大市场份额,巩固其在工业等领域的竞争力。
